PESO [KG] 6,1
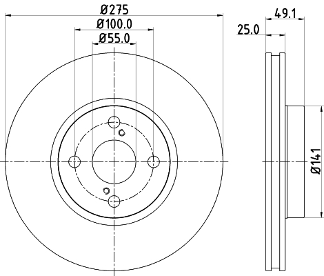
                            DIAMETRO ESTERNO [MM] 275
                            ARTICOLO COMPLEMENTARE/INFO INTEGRATIVA 2 SENZA MOZZO PORTARUOTA
                            ARTICOLO COMPLEMENTARE/INFO INTEGRATIVA 2 SENZA CUSCINETTO RUOTA
                            ARTICOLO COMPLEMENTARE/INFO INTEGRATIVA 2 SENZA BULLONE FISSAGGIO RUOTA
                            ALTEZZA [MM] 49,1
                            SUPERFICIE RIVESTITO
                            SAGOMA PER FORI/ N° FORI 04/06
                            TIPO DISCO FRENO CON VENTILAZIONE ESTERNA
                            FORO INTERNO-Ø [MM] 100
                            DIAMETRO INTERNO [MM] 128,9
                            SPESSORE DISCO FRENO [MM] 25
                            SPESSORE MIN. [MM] 23
                            DIAMETRO CENTRAGGIO [MM] 55
                            FORO BULLONE RUOTA-Ø [MM] 14,6
                            MONTAGGIO/SMONTAGGIO NECESSARIO DA PARTE DI PERS. TECNICO!