logo Vendita ricambi Online Auto e Moto Sighieri

DISCO FRENO - hella - 8DD 355 128-011

Articolo
DISCO FRENO
Disponibile
 Carrello

€ 84,67
IVA inclusa

Dati tecnici
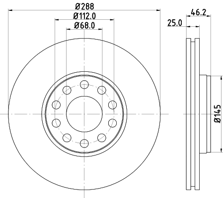
PESO [KG] 7,6
DIAMETRO ESTERNO [MM] 288
ARTICOLO COMPLEMENTARE/INFO INTEGRATIVA 2 SENZA MOZZO PORTARUOTA
ARTICOLO COMPLEMENTARE/INFO INTEGRATIVA 2 SENZA BULLONE FISSAGGIO RUOTA
ALTEZZA [MM] 46,2
SUPERFICIE RIVESTITO
SAGOMA PER FORI/ N° FORI 05/10
TIPO DISCO FRENO CON VENTILAZIONE ESTERNA
FORO INTERNO-Ø [MM] 112
SPESSORE DISCO FRENO [MM] 25
SPESSORE MIN. [MM] 23
DIAMETRO CENTRAGGIO [MM] 68
LAVORAZIONE/TRATTAMENTO AD ALTO TENORE DI CARBONIO
MONTAGGIO/SMONTAGGIO NECESSARIO DA PARTE DI PERS. TECNICO!
Riferimenti originali
JZW615301B AUDI-VOLKSWAGEN
4B0615301B AUDI-VOLKSWAGEN
Condividi su: